Каталог
Все города
Туризм, отдых, спорт
Подгузники и средства гигиены
Бизнес, деловые услуги, юриспруденция, бухгалтерия, финансы
Посуда и товары для кухни
Туризм, отдых, спорт, хобби
Назад
Не выбрано
Не выбрано
Не выбрано

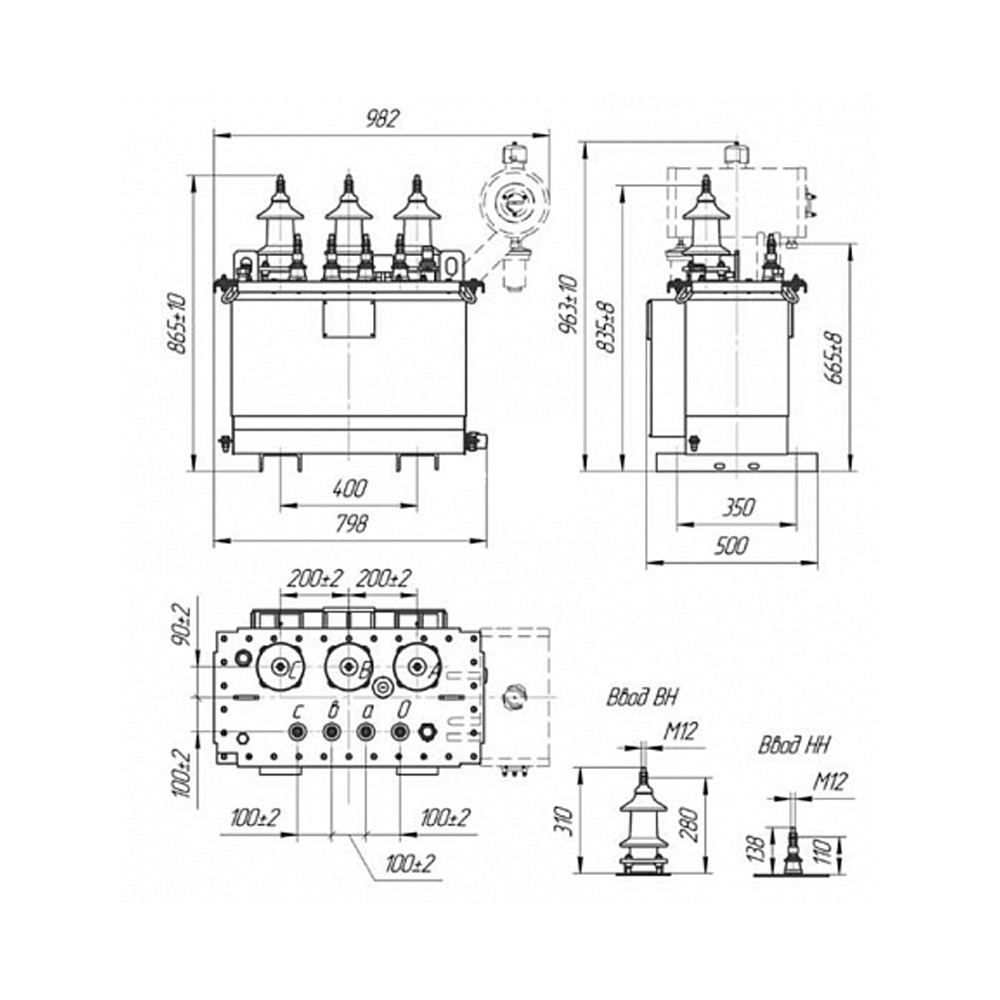
Трансформатор масляный герметичный ТМГ-100/6-10/0,4 Y/Yн-0

2 часа назад 1 (1 сегодня) №0451689553

Местоположение

Ташкентская область, Ташкент

Описание

Масляный трехфазный трансформатор из серии ТМГ и мощностью 100 кВт служит для преобразования электроэнергии. Предлагаем вам следующие модели: ТМГ-100/10-0,4, ТМГ-100/6-0,4, ТМГ-100/35-0,4 Его технические характеристики подразумевают установку и внутри помещения и снаружи. При установке на улице диапазон рабочих температур колеблется от +40 и до -60. Условия использования Оптимальные условия использования трансформатора – в невзрывоопасной не запыленной среде. Номинально работает в частоте 50 Гц, хотя допустимы небольшие отклонения. Все масляные трансформаторы серии ТМГ имеют схожие параметры: масса более 400 кг, потери холостого хода составляют 210 кВт, а потери при коротком замыкании равны 1300 Вт. Короткое замыкание происходит при напряжении равной 4.5% от номинального. ТМГ-100 полностью герметичный аппарат, без маслорасширителей. Их роль выполняют, в случае надобности, гофрированные трубки. Они могут изменять свою форму, когда масло начинает расширяться из-за повышения температуры. Все трансформаторы имеют поплавковый маслоуказатель, он помогает установить точный контроль за уровнем масла. Если излишне повысилось рабочее давление, есть предохранительный клапан, который автоматически справляется с этой проблемой. Контроль за внутренним давлением можно установить при помощи электроконтактного мановакуумметра. Он не входит в стандартный комплект и устанавливается только по желанию покупателя. Также дополнительно можно дооборудовать трансформатор термометром.

Характеристики

Состояние: Новое
Отзывы 0

Отзывов пока нет 🥴

31 440 000 сум
220volt
Объявления из той же категории
Домой
Избранное
Добавить
Чат
Профиль